Light Gauge Steel Framing (LGSF)
|
Fully Integrated Design to Production Light Gauge Steel machine (LGSF machinery) Framing System
|
||||
| A1 (A1XE) Type | ||||
| A3 Type | ||||
| A6 Type | ||||
|
Fully Integrated Design to Production Light Gauge Steel Framing System
|
||||
| A1 (A1XE) Type | A3 Type | A6 Type | ||
|
Product examples
|
||||
![]() |
||||
|
|
||||
|
Steel Framing Machine & Specification
|
||||
|
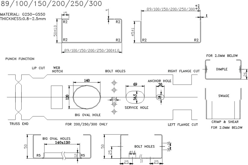
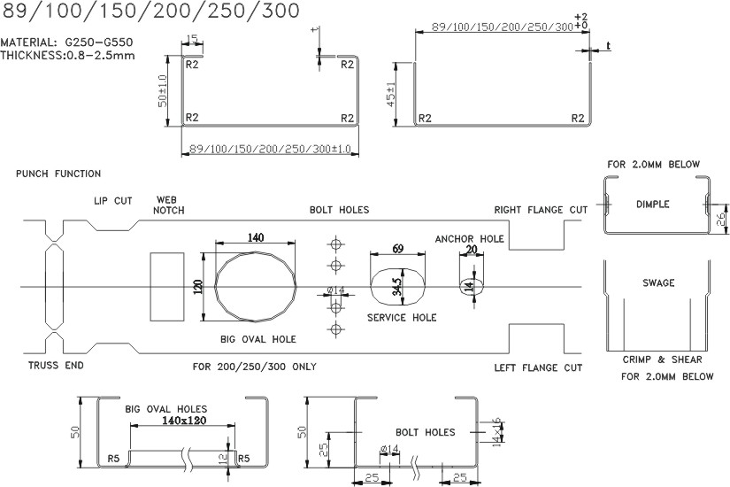
1. A1 Steel Framer : Single Web Size Profile (C+C & C+U) Framing System
|
||||
|
|
||||
|
A1 (A1XE) Specification Description: Single Web Size Profile (C+C & C+U) Steel Framing machine
|
||||
| 2. A3 Steel Framer : Three Web size Profiles (C+C & C+U) Framing System | ||||
|
|
||||
![]() |
||||
|
|
||||
| 3. A6 Steel Framer : Multiple Web size Profiles (C+C & C+U) Framing System | ||||
|
|
||||
![]() |
||||
![]() |
||||
|
Flow Chart of Production
|
||||
|
Design Soft ware : 3D Modeling→Detailing→NC files Uncoiler (coil) →Automatic punching →Roll forming ( including Windows Base control) → Automatic shearing device →Product run-out table |
||||







